ORIENT Photorelay Introduction
ORIENT Photorelay Introduction
Ray Wang [email protected] www.orient-opto.com
1, Product Introduction:
The structure of the photorelay: In the case of the ORIENT OR-440AS, the input side of the photorelay is equipped with an infrared led, and the output side is equipped with a photodiode array (hereinafter referred to as "PVG") and MOSFETs. Figure 1 shows an example of the internal structure of the 2.54SOP4 package, which is one of the photorelay unfolded packages. The LED on the input side and the PVG on the output side are placed face to face and are insulated with resin.

Figure 1.
The working principle of the photoelectric relay OR-440A. The photorelay works by applying a current to the LED on the input side. The PVG on the output side then receives the infrared light from the LED, generating the electromotive force. This electromotive force drives the connected MOSFET gate, which opens the MOSFET.
The contact structure of optical relay form A is contact type, and the output side opens when a certain amount of current is applied to the input side. This contact type is also called normally open type. Denoted as 1a, denotes the 1-pole a contact relay and the 2-pole a contact relay, denoted as 2a. On the other hand, when a certain amount of current is applied to the input side, the output side of the form B contact type remains closed, and when the input current is below a certain level, the output side turns on. This type of contact is also known as normally closed contact. Denotes 1 pole b contact relay, denoted 1b; 2-pole b contact relay, marked 2b. The photorelay A uses an enhanced MOSFETs and the photoelectric relay B uses a depletion MOSFETs.

Figure 2.
2,The application
1). The ORIENT Photorelay function is used in the circuit to monitor the charging voltage of the battery unit. The relay is expected to produce many contacts, and photoelectric relays are highly recommended because they do not have such a concept as contact life (long life). Advantages: Small size, long life, high withstand voltage.

Figure 3. From TOSHIBAPhotorelay E-book(Replacement for mechanical relay)page64
2). The ORIENT Photorelay is used as a switch for the light and sound output of camera sets. Advantages No noise, long life, small size

Figure 4. From TOSHIBAPhotorelay E-book(Replacement for mechanical relay)page64
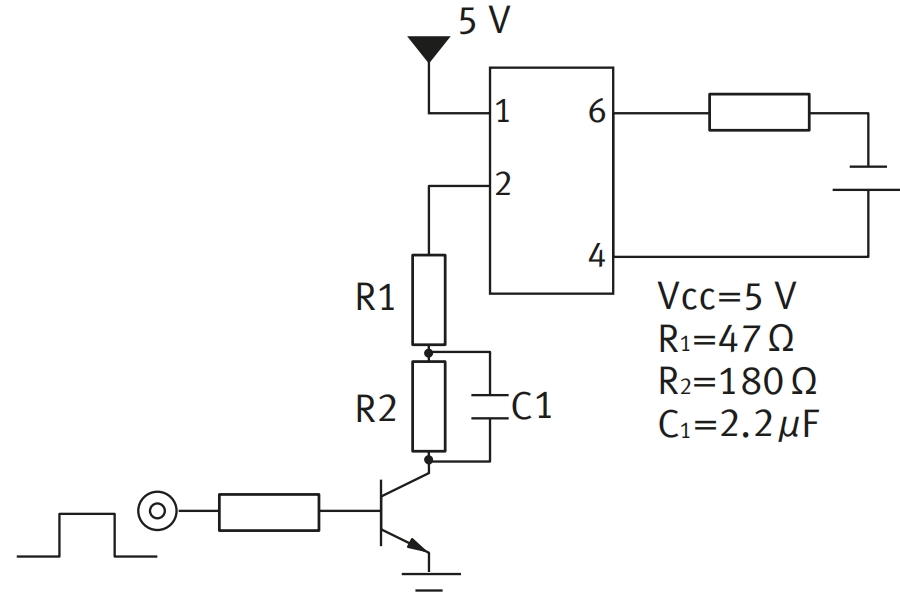
3). ORIENT Photorelay is used to monitor insulation deterioration of battery cells. If the insulation in the unit deteriorates, when the relay is switched on, the ground fault current passes through and the sensor detects the current. The high load voltage type Photorelay is the ideal high voltage battery.

1.The circuit principle:

High response speed

4.Typical model
ORIENT SOP4
![]() |
1. Anode 2. Cathode 3.4. Drain |
|
Product |
Output type |
Load Voltage (V) |
Load Current (mA) |
Ron Typ. (Ω) |
Ifon max. (mA) |
Viso (Vrms) |
|
ORM406A |
Normally Open 1 Form A |
60 |
550 |
2 |
3 |
3750 |
|
ORM406A-16 |
Normally Open 1 Form A |
60 |
1600 |
0.5 |
3 |
3750 |
|
ORM410A |
Normally Open 1 Form A |
100 |
250 |
1 |
3 |
3750 |
|
ORM425A |
Normally Open 1 Form A |
250 |
180 |
9 |
3 |
3750 |
|
ORM440A |
Normally Open 1 Form A |
400 |
150 |
20 |
3 |
3750 |
|
ORM460A |
Normally Open 1 Form A |
600 |
100 |
40 |
3 |
3750 |
ORIENT DIP4
![]() |
1. Anode 2. Cathode 3.4. Drain |
|
Product |
Output type |
Load Voltage (V) |
Load Current (mA) |
Ron Typ. (Ω) |
Ifon max. (mA) |
Viso (Vrms) |
|
OR406A |
Normally Open 1 Form A |
60 |
550 |
2 |
3 |
5000 |
|
OR406A-16 |
Normally Open 1 Form A |
60 |
1600 |
0.5 |
3 |
5000 |
|
OR410A |
Normally Open 1 Form A |
100 |
250 |
1 |
3 |
5000 |
|
OR425A |
Normally Open 1 Form A |
250 |
180 |
9 |
3 |
5000 |
|
OR440A |
Normally Open 1 Form A |
400 |
150 |
20 |
3 |
5000 |
|
OR460A |
Normally Open 1 Form A |
600 |
100 |
40 |
3 |
5000 |
ORIENT SMD5
![]() |
1. Anode 2. Cathode 4. Drain 6. Drain |
|
Product |
Output type |
Load Voltage (V) |
Load Current (mA) |
Ron Typ. (Ω) |
Ifon max. (mA) |
Viso (Vrms) |
|
ORAQV258HP5S |
Normally Open 1 Form A |
1700 |
50 |
10 |
3 |
5000 |
|
ORAQV258HP5S-SJ |
Normally Open 1 Form A |
1700 |
50 |
70 |
3 |
5000 |
|
ORAQV258LP5 |
Normally Open 1 Form A |
1500 |
20 |
150 |
3 |
5000 |
ORIENT SO16
![]() |
4:Anode 5:Cathode 6:Anode 9:Drain 10:Drain 15:Drain 16:Drain |
|
Product |
Output type |
Load Voltage (V) |
Load Current (mA) |
Ron Typ. (Ω) |
Ifon max. (mA) |
Viso (Vrms) |
|
OR601J |
Normally Open 1 Form A |
1500 |
50 |
50 |
3 |
5000 |
Ray Wang [email protected] www.orient-opto.com
English
Español
Português
русский
français
日本語
Deutsch
Tiếng Việt
Italiano
Nederlands
ไทย
Polski
한국어
Svenska
magyar
Malay
বাংলা
Dansk
Suomi
हिन्दी
Pilipino
Türk
Gaeilge
عربى
Indonesia
norsk
Burmese
български
ລາວ
Latine
Қазақ
Euskal
Azərbaycan
slovenský
Македонски
Română
Slovenski
Српски
Afrikaans
Беларус
Hrvatski
Монгол хэл
Zulu
Somali
O'zbek
Hawaiian







What Is the Operation of a Phototransistor and an Optocoupler? Industry Shares Key Insights
As global industries move toward smarter, safer, and more energy-efficient electronic systems, understanding the operation of core components such as phototransistors and optocouplers has become increasingly important. Manufacturers and engineers are now emphasizing clearer technical guidance to support designers working on advanced power supplies, automation equipment, and communication devices.
Read MoreHow Does the Optocoupler Work? Industry Highlights the Science Behind Isolation Technology
As electronic systems become more advanced and safety requirements continue to rise, optocouplers—also known as photocouplers—are receiving renewed attention across global industries. Engineers, manufacturers, and researchers are emphasizing the importance of understanding how the optocoupler works, especially as applications expand into renewable energy, smart automation, electric vehicles, and sensitive communication devices.
Read MoreORIENT Strengthens Position as Leading Phototransistor Optocoupler Manufacturer
Global demand for phototransistor optocouplers continues to rise as industries accelerate digital transformation and seek reliable isolation solutions for high-performance electronic systems. Among the manufacturers meeting this rapidly growing demand, ORIENT is emerging as a key player, recognized for its high-quality components, advanced production capabilities, and strong commitment to innovation.
Read More